Beagle Bone Black ケース
RaspyfiがVoyageに取って代わって実用になっている。電源とかLED配線とか手を掛けたいところは、色々あるが買い置きしてあるBeagleBoneBlackとHENケースをそろそろ何とかしたい。
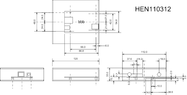
ケース内の基板配置と孔開けの設計は、チマチマ進めていた。ケースは、TAKACHI HEN110312
を使用。リアパネルにUSB端子とSDカードスロットを面一に揃える配置とする。こうするとLAN端子とDC端子は、フロントパネルから離れることになる。DC端子は、別途 リアパネルに取り付け基板から配線しLANケーブルは、ブッシュを介して引き出すことにした。
ケースの配置と穴加工図面
ケース内の基板配置と孔開けの設計は、チマチマ進めていた。ケースは、TAKACHI HEN110312
を使用。リアパネルにUSB端子とSDカードスロットを面一に揃える配置とする。こうするとLAN端子とDC端子は、フロントパネルから離れることになる。DC端子は、別途 リアパネルに取り付け基板から配線しLANケーブルは、ブッシュを介して引き出すことにした。
ケースの配置と穴加工図面

コメント
コメントを投稿